
calcActive())">
REF : QA33-H-GEN
TYPE QA HYDRAULIC QUICK HITCH
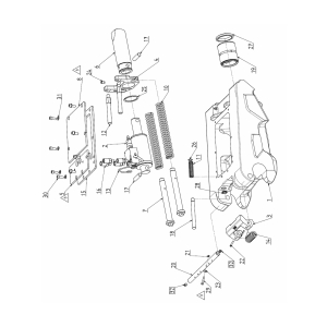
The QA33H quick couplers enable safe and rapid tool changes for excavators from 12 to 15 tonnes. Available in a hydraulic version, they combine compactness, automatic locking and compatibility with reversible buckets.
Description
It is essential to ensure that the selected equipment complies with the manufacturer’s recommendations for your machine.The configurator is available to help you verify compatibility between the attachment and your excavator.Please check that your buckets are fully compatible with your QA quick...
It is essential to ensure that the selected equipment complies with the manufacturer’s recommendations for your machine.
The configurator is available to help you verify compatibility between the attachment and your excavator.
Please check that your buckets are fully compatible with your QA quick couplers. We invite you to consult the correspondence table in the Documentation tab.
The Quick Arden quick coupler range from Arden Equipment has been developed to ensure maximum safety and optimal work efficiency, regardless of your excavator configuration.
Quick and safe changeover
Thanks to their automatic locking, the QA models allow tool changes without leaving the cab (hydraulic version) or via a key release system (mechanical). The safety paddle on the front axle and visual locking indicators ensure increased safety.
Robust and versatile design
Compact, lightweight, and compatible with reversible buckets for the QA Series 3, these couplers fit a wide range of excavators. Their automatic slack adjustment and integrated handling hole complete a design designed to make your work easier.
Technical data and visuals are non-contractual and subject to change without prior notice.
We remain at your disposal for any technical advice by phone at +33 (0)3 24 33 64 32 or by email at commerce@arden-equipment.com.
Arden Equipment cannot be held liable in the event of improper compatibility.
The configurator is available to help you verify compatibility between the attachment and your excavator.
Please check that your buckets are fully compatible with your QA quick couplers. We invite you to consult the correspondence table in the Documentation tab.
The Quick Arden quick coupler range from Arden Equipment has been developed to ensure maximum safety and optimal work efficiency, regardless of your excavator configuration.
Quick and safe changeover
Thanks to their automatic locking, the QA models allow tool changes without leaving the cab (hydraulic version) or via a key release system (mechanical). The safety paddle on the front axle and visual locking indicators ensure increased safety.
Robust and versatile design
Compact, lightweight, and compatible with reversible buckets for the QA Series 3, these couplers fit a wide range of excavators. Their automatic slack adjustment and integrated handling hole complete a design designed to make your work easier.
Technical data and visuals are non-contractual and subject to change without prior notice.
We remain at your disposal for any technical advice by phone at +33 (0)3 24 33 64 32 or by email at commerce@arden-equipment.com.
Arden Equipment cannot be held liable in the event of improper compatibility.
It is essential to ensure that the selected equipment complies with the manufacturer’s recommendations for your machine.
The configurator is available to help you verify compatibility between the attachment and your excavator.
Please check that your buckets are fully compatible with your QA quick couplers. We invite you to consult the correspondence table in the Documentation tab.
The Quick Arden quick coupler range from Arden Equipment has been developed to ensure maximum safety and optimal work efficiency, regardless of your excavator configuration.
Quick and safe changeover
Thanks to their automatic locking, the QA models allow tool changes without leaving the cab (hydraulic version) or via a key release system (mechanical). The safety paddle on the front axle and visual locking indicators ensure increased safety.
Robust and versatile design
Compact, lightweight, and compatible with reversible buckets for the QA Series 3, these couplers fit a wide range of excavators. Their automatic slack adjustment and integrated handling hole complete a design designed to make your work easier.
Technical data and visuals are non-contractual and subject to change without prior notice.
We remain at your disposal for any technical advice by phone at +33 (0)3 24 33 64 32 or by email at commerce@arden-equipment.com.
Arden Equipment cannot be held liable in the event of improper compatibility.
The configurator is available to help you verify compatibility between the attachment and your excavator.
Please check that your buckets are fully compatible with your QA quick couplers. We invite you to consult the correspondence table in the Documentation tab.
The Quick Arden quick coupler range from Arden Equipment has been developed to ensure maximum safety and optimal work efficiency, regardless of your excavator configuration.
Quick and safe changeover
Thanks to their automatic locking, the QA models allow tool changes without leaving the cab (hydraulic version) or via a key release system (mechanical). The safety paddle on the front axle and visual locking indicators ensure increased safety.
Robust and versatile design
Compact, lightweight, and compatible with reversible buckets for the QA Series 3, these couplers fit a wide range of excavators. Their automatic slack adjustment and integrated handling hole complete a design designed to make your work easier.
Technical data and visuals are non-contractual and subject to change without prior notice.
We remain at your disposal for any technical advice by phone at +33 (0)3 24 33 64 32 or by email at commerce@arden-equipment.com.
Arden Equipment cannot be held liable in the event of improper compatibility.
More Information


Specification |
Details |
|---|---|
| SKU | QA33-H-GEN |
| Professions | Demolition, Earthmoving, Landscaping, Quarry, Railway, Recycling, Scrap |
| A (mm) | 408 |
| B (mm) | 65 |
| C (mm) | 331.5 |
| Weight (kg) | 140 |
| Minimum carrying weight (T) | 12 |
| Maximum carrying weight (T) | 15 |
Files
Get a Quote for
Loading...
Are you sure you would like to remove this item from the shopping cart?
This item is a part of the approved quote. Removing it will remove all quote items from the cart.

