
ATTACHE RAPIDE HYDRAULIQUE TYPE S
Description
Le configurateur est à disposition pour vérifier la compatibilité entre l'équipement et votre pelle.
Pensée pour durer et garantir une sécurité maximale, l’attache rapide AES assure des changements d’outils simples, rapides et fiables sur tous types de chantiers.
Compatibilité nordique & performance conservée
L’AES respecte le standard type S nordique, sans modifier la cinématique de la pelle : la force de pénétration à la dent reste optimale. Elle peut être utilisée en rétro ou en butte, avec tout type de godet, pour s’adapter aux applications comme le terrassement, le recyclage ou la démolition.
Sécurité active intégrée
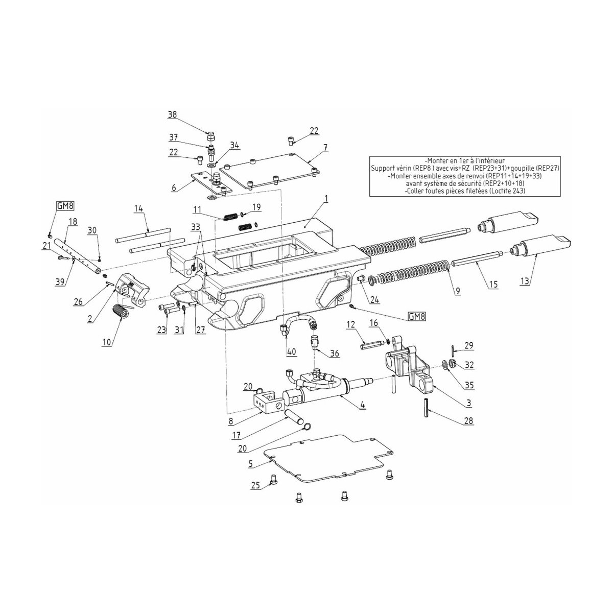
La palette de maintien automatique de l’axe avant, associée à des ressorts de maintien et un indicateur visuel de verrouillage, est conforme aux exigences CE 2006/42/CE. Une valve d’équilibrage sur le vérin ajoute une sécurité hydraulique renforcée.
Construction robuste
L’AES intègre un mécanisme protégé par capots vissés, pour une durabilité maximale. La palette de sécurité est moulée d’un seul bloc, garantissant une tenue parfaite dans le temps.
Données techniques et visuels non contractuels, susceptibles d’être modifiés sans préavis.
Nous restons à votre disposition pour tout conseil technique par téléphone au +33 (0)3 24 33 64 32 ou par mail commerce@arden-equipment.com.
Arden Equipment ne pourra être tenu pour responsable en cas de défaut d’adéquation.
Le configurateur est à disposition pour vérifier la compatibilité entre l'équipement et votre pelle.
Pensée pour durer et garantir une sécurité maximale, l’attache rapide AES assure des changements d’outils simples, rapides et fiables sur tous types de chantiers.
Compatibilité nordique & performance conservée
L’AES respecte le standard type S nordique, sans modifier la cinématique de la pelle : la force de pénétration à la dent reste optimale. Elle peut être utilisée en rétro ou en butte, avec tout type de godet, pour s’adapter aux applications comme le terrassement, le recyclage ou la démolition.
Sécurité active intégrée
La palette de maintien automatique de l’axe avant, associée à des ressorts de maintien et un indicateur visuel de verrouillage, est conforme aux exigences CE 2006/42/CE. Une valve d’équilibrage sur le vérin ajoute une sécurité hydraulique renforcée.
Construction robuste
L’AES intègre un mécanisme protégé par capots vissés, pour une durabilité maximale. La palette de sécurité est moulée d’un seul bloc, garantissant une tenue parfaite dans le temps.
Données techniques et visuels non contractuels, susceptibles d’être modifiés sans préavis.
Nous restons à votre disposition pour tout conseil technique par téléphone au +33 (0)3 24 33 64 32 ou par mail commerce@arden-equipment.com.
Arden Equipment ne pourra être tenu pour responsable en cas de défaut d’adéquation.
Plus d’information


Spécification |
Détails |
|---|---|
| SKU | AES060BH011 |
| Métiers | Carrière, Démolition, Espace vert, Ferraille, Ferroviaire, Recyclage, Terrassement |
| Option 1 | Trou manutention |
| Option 2 | Hydraulique |
| A (mm) | 480 |
| B (mm) | 60 |
| C (mm) | 80 |
| D (mm) | 338 |
| Pression de travail (Mpa) | 35 |
| Débit min (l/min) | 5 |
| Débit max (l/min) | 15 |
| Monte / pointe | fiches\Eclates\Eclates En\En_Pieces_rechanges_AES060BH_revA.pdf |
| Poids (kg) | 162.1 |
| Poids porteur mini (T) | 12 |
| Poids porteur maxi (T) | 20 |
Êtes-vous sûr(e) de vouloir retirer cet article du panier ?
Êtes-vous sûr(e) de vouloir retirer cet article du panier ? Cet article fait partie du devis approuvé. Le supprimer entraînera la suppression de tous les articles du devis dans le panier.

