
ATTACHE RAPIDE HYDRAULIQUE TYPE QA
Description
Le configurateur est à disposition pour vérifier la compatibilité entre l'équipement et votre pelle.
Vérifiez que vos godets soient bien compatibles avec vos attaches QA. Nous vous invitons à consulter dans l’onglet Documentation la correspondance.
La gamme d’attaches rapides Quick Arden d’Arden Equipment a été développée pour garantir une sécurité maximale et une efficacité de travail optimale, quelle que soit la configuration de votre pelle.
Changement rapide et en toute sécurité
Grâce à leur verrouillage automatique, les modèles QA permettent un changement d’outil sans quitter la cabine (version hydraulique) ou via un système de déverrouillage par clé (mécanique). La palette de sécurité sur l’axe avant et les indicateurs visuels de verrouillage assurent une sécurité accrue.
Conception robuste et polyvalente
Compactes, légères et compatibles avec les godets réversibles pour les QA série 3, ces attaches s’adaptent à une large gamme de pelles. Leur rattrapage de jeu automatique et leur trou de manutention intégré complètent une conception pensée pour faciliter vos chantier.
Données techniques et visuels non contractuels, susceptibles d’être modifiés sans préavis.
Nous restons à votre disposition pour tout conseil technique par téléphone au +33 (0)3 24 33 64 32 ou par mail commerce@arden-equipment.com.
Arden Equipment ne pourra être tenu pour responsable en cas de défaut d’adéquation.
Le configurateur est à disposition pour vérifier la compatibilité entre l'équipement et votre pelle.
Vérifiez que vos godets soient bien compatibles avec vos attaches QA. Nous vous invitons à consulter dans l’onglet Documentation la correspondance.
La gamme d’attaches rapides Quick Arden d’Arden Equipment a été développée pour garantir une sécurité maximale et une efficacité de travail optimale, quelle que soit la configuration de votre pelle.
Changement rapide et en toute sécurité
Grâce à leur verrouillage automatique, les modèles QA permettent un changement d’outil sans quitter la cabine (version hydraulique) ou via un système de déverrouillage par clé (mécanique). La palette de sécurité sur l’axe avant et les indicateurs visuels de verrouillage assurent une sécurité accrue.
Conception robuste et polyvalente
Compactes, légères et compatibles avec les godets réversibles pour les QA série 3, ces attaches s’adaptent à une large gamme de pelles. Leur rattrapage de jeu automatique et leur trou de manutention intégré complètent une conception pensée pour faciliter vos chantier.
Données techniques et visuels non contractuels, susceptibles d’être modifiés sans préavis.
Nous restons à votre disposition pour tout conseil technique par téléphone au +33 (0)3 24 33 64 32 ou par mail commerce@arden-equipment.com.
Arden Equipment ne pourra être tenu pour responsable en cas de défaut d’adéquation.
Plus d’information


Spécification |
Détails |
|---|---|
| SKU | QA33-H022 |
| Métiers | Carrière, Démolition, Espace vert, Ferraille, Ferroviaire, Recyclage, Terrassement |
| Option 1 | Trou manutention |
| Option 2 | Hydraulique |
| A (mm) | 408 |
| B (mm) | 65 |
| C (mm) | 331.5 |
| Pression de travail (Mpa) | 35 |
| Débit min (l/min) | 20 |
| Débit max (l/min) | 30 |
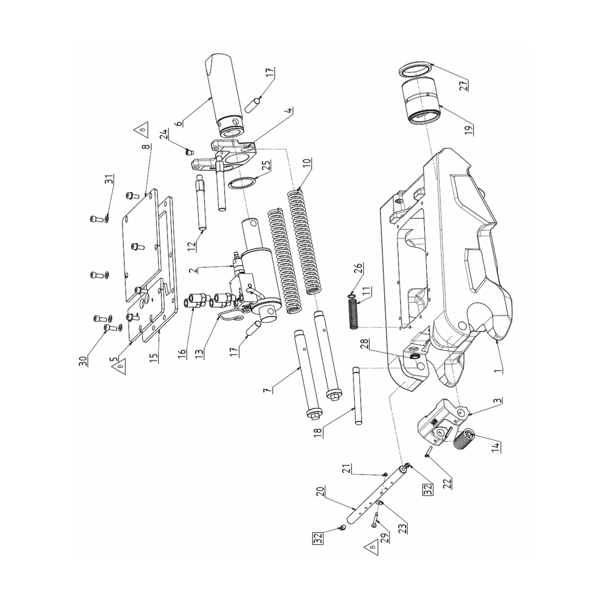
| Monte / pointe | fiches\Eclates\Eclates En\En_Pieces_rechanges_QA33-H_revB.pdf |
| Poids (kg) | 138 |
| Poids porteur mini (T) | 12 |
| Poids porteur maxi (T) | 16 |
Documentation
Êtes-vous sûr(e) de vouloir retirer cet article du panier ?
Êtes-vous sûr(e) de vouloir retirer cet article du panier ? Cet article fait partie du devis approuvé. Le supprimer entraînera la suppression de tous les articles du devis dans le panier.

