
calcActive())">
REF : QA41-H010
TYPE QA HYDRAULIC QUICK HITCH
This equipment is no longer available for sale. We invite you to check the available spare parts listed below or contact our sales department at +33 3 24 33 64 32 or by email at commerce@arden-equipment.com.
Description
This equipment is no longer available for sale. We invite you to check the available spare parts listed below or contact our sales department at +33 3 24 33 64 32 or by email at commerce@arden-equipment.com.
More Information
Specification |
Details |
|---|---|
| SKU | QA41-H010 |
| Professions | Demolition, Earthmoving, Landscaping, Quarry, Railway, Recycling, Scrap |
| Working pressure (Mpa) | 35 |
| Flow min (l/min) | 20 |
| Maximum flow rate (l/min) | 30 |
Spare Parts
Please note that these PRs are associated with the latest model currently in production.
Thank you for checking your equipment with the configurator by entering your serial number.
See the configurator| N° | Name | Reference | Actions |
|---|---|---|---|
| Spare part | |||
EMBASE QA41H FINIE (Moulé) |
X3026 | ||
QA LOCK |
X91982 | ||
Spring stirrup |
X92065 | ||
Spring rod |
X92018 | ||
Spring |
X92030 | ||
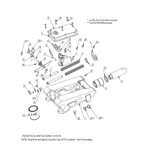
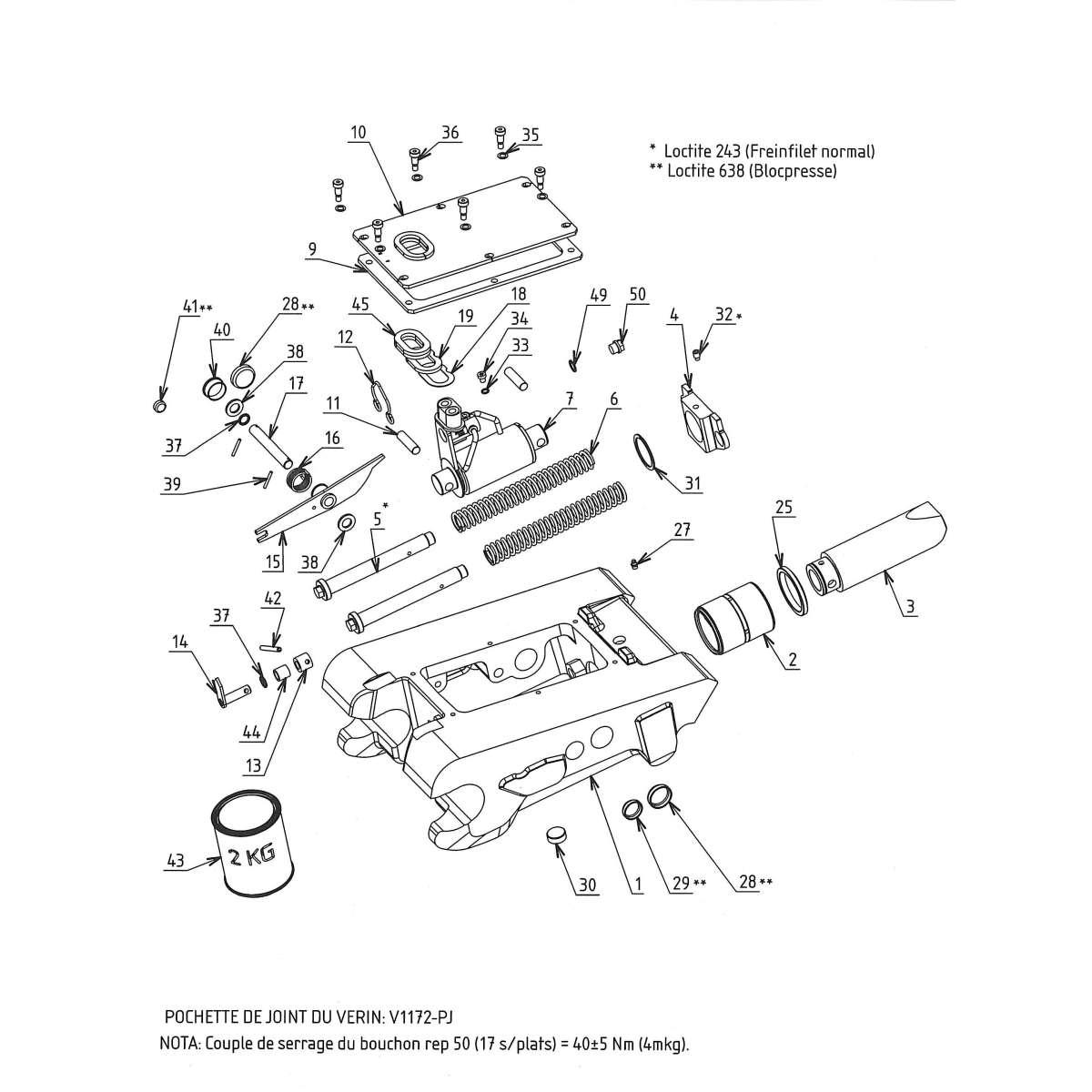
VERIN 036X055C059 QA31/41H |
V1172 | ||
Valve |
CLAP30009 | ||
Cover |
X92037 | ||
Pin |
X92048 | ||
Pin clamp |
X92101 | ||
Safety tube |
X92084 | ||
Safety indicator |
X92089 | ||
Reversing safety indicator |
X92079 | ||
Spring |
X92104 | ||
NPU !! AXE RENVOI QA31H-QA41H |
X92094 | ||
Sheet / Plate |
X92145 | ||
Seal / Packing |
X92367 | ||
Plug |
X92143 | ||
NPU - REMPLACE PAR 92141 DS NOMENCLATURES -BOUCHON TROU DIA33 |
X92142 | ||
Safety ring |
CIR055E | ||
Stop screw |
HCTL10-016C12 | ||
Seal / Packing |
J30088 | ||
Socket head capscrew |
CHC08-010C10TR | ||
Flat washer |
RP16 | ||
Spring-type straight pin |
GE04-030 | ||
Plug |
X92139 | ||
Spring-type straight pin |
GE07-090 | ||
Bushing |
X80142 | ||
SEAL |
X92130 | ||
Seal Kit |
V1172-PJ | ||
Square |
X2931 | ||
Safety part |
X2932 | ||
Fork |
X2949 | ||
EMBASE QA41M FINIE (Moulé) |
X2960 | ||
Bushing |
X80199 | ||
Safety part |
X91685 | ||
Fork pin |
X91728 | ||
Pin |
X91735 | ||
Spring |
X91745 | ||
Safety tube |
X91755 | ||
CLEF ( VOIR 92622 ) |
X91758 | ||
Plastic plug |
X91760 | ||
Plastic plug |
X91761 | ||
Wedge |
X91763-100 | ||
Adjustment plate |
X91765-100 | ||
Cover |
X91790 | ||
Cover seal |
X91791 | ||
Safety indicator |
X91795 | ||
Spring |
X91796 | ||
QA LOCK |
X91797 | ||
Spring |
X91835 | ||
Adjustment plate |
X91847-100 | ||
Grease Box 2kg |
X92115-2 | ||
Screw plug |
X92118 | ||
Pressure spring |
X92280 | ||
Screw plug |
X92305 | ||
Spring-type straight pin |
GE07-060 | ||
Spring-type straight pin |
GE07-080 | ||
Spring-type straight pin |
GE07-100 | ||
Spring-type straight pin |
GE12-080 | ||
Grease nipple |
GM8 | ||
Self-locking nut |
HFR08 | ||
VIS HM08-020 C8.8 |
HM08-020C08 | ||
O-Ring |
J30070 | ||
O-Ring |
J30071 | ||
Wiper ring |
J30072 | ||
Plug |
RAC30294 | ||
Flat washer |
RP08 | ||
Flat washer |
RP10M |
Get a Quote for
Loading...
Are you sure you would like to remove this item from the shopping cart?
This item is a part of the approved quote. Removing it will remove all quote items from the cart.

