
calcActive())">
REF : QA11-H008
TYPE QA HYDRAULIC QUICK HITCH
This equipment is no longer available for sale. We invite you to check the available spare parts listed below or contact our sales department at +33 3 24 33 64 32 or by email at commerce@arden-equipment.com.
Description
This equipment is no longer available for sale. We invite you to check the available spare parts listed below or contact our sales department at +33 3 24 33 64 32 or by email at commerce@arden-equipment.com.
More Information
Specification |
Details |
|---|---|
| SKU | QA11-H008 |
| Professions | Demolition, Earthmoving, Landscaping, Quarry, Railway, Recycling, Scrap |
| Working pressure (Mpa) | 35 |
| Flow min (l/min) | 20 |
| Maximum flow rate (l/min) | 30 |
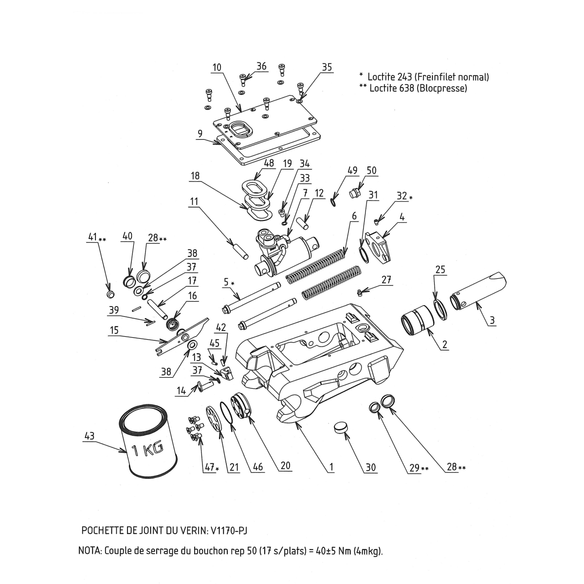
| Mounting / Tip | fiches\Eclates\Eclates En\En_Pieces_rechanges_QA11-H_revB.pdf |
Get a Quote for
Loading...
Are you sure you would like to remove this item from the shopping cart?
This item is a part of the approved quote. Removing it will remove all quote items from the cart.

