
ATTACHE RAPIDE HYDRAULIQUE TYPE QA
Description
Plus d’information
Spécification |
Détails |
|---|---|
| SKU | QA51-H077 |
| Métiers | Carrière, Démolition, Espace vert, Ferraille, Ferroviaire, Recyclage, Terrassement |
| Pression de travail (Mpa) | 35 |
| Débit min (l/min) | 20 |
| Débit max (l/min) | 30 |
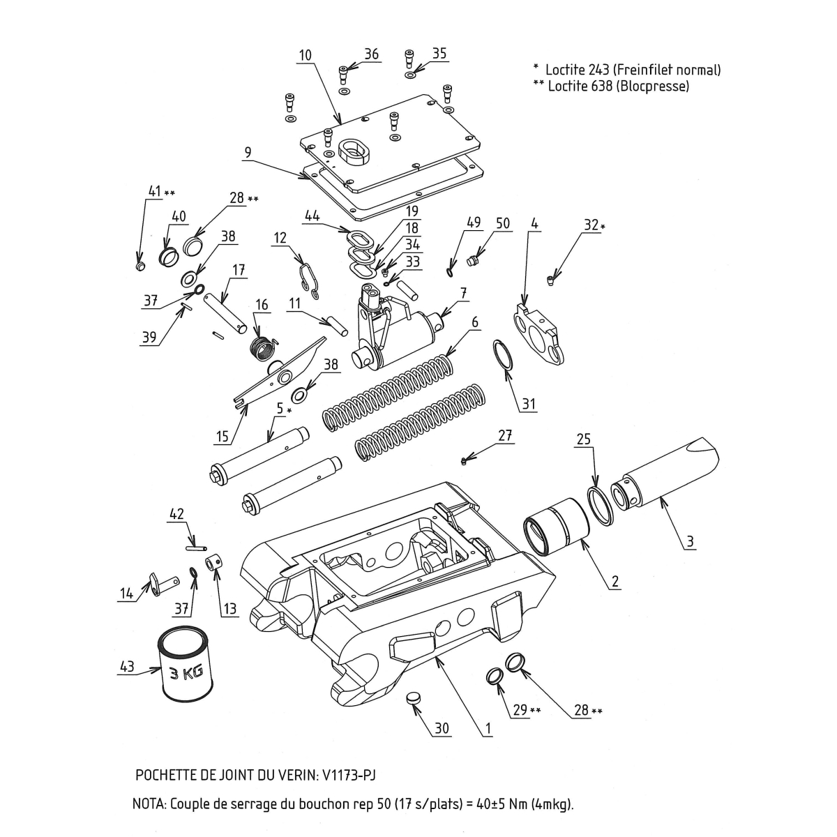
| Monte / pointe | fiches\Eclates\Eclates En\En_Pieces_rechanges_QA51-H_revB.pdf |
Êtes-vous sûr(e) de vouloir retirer cet article du panier ?
Êtes-vous sûr(e) de vouloir retirer cet article du panier ? Cet article fait partie du devis approuvé. Le supprimer entraînera la suppression de tous les articles du devis dans le panier.

