
PINCE DE DÉMOLITION ET DE TRI
Description
Le configurateur est à disposition pour vérifier la compatibilité entre l'équipement et votre pelle.
Conçue pour les travaux de tri, de démolition, de recyclage et de manutention, la pince S offre une solution puissante, fiable et entièrement modulable pour les pelles de 2,5 à 90 tonnes.
Structure robuste et composants haute résistance
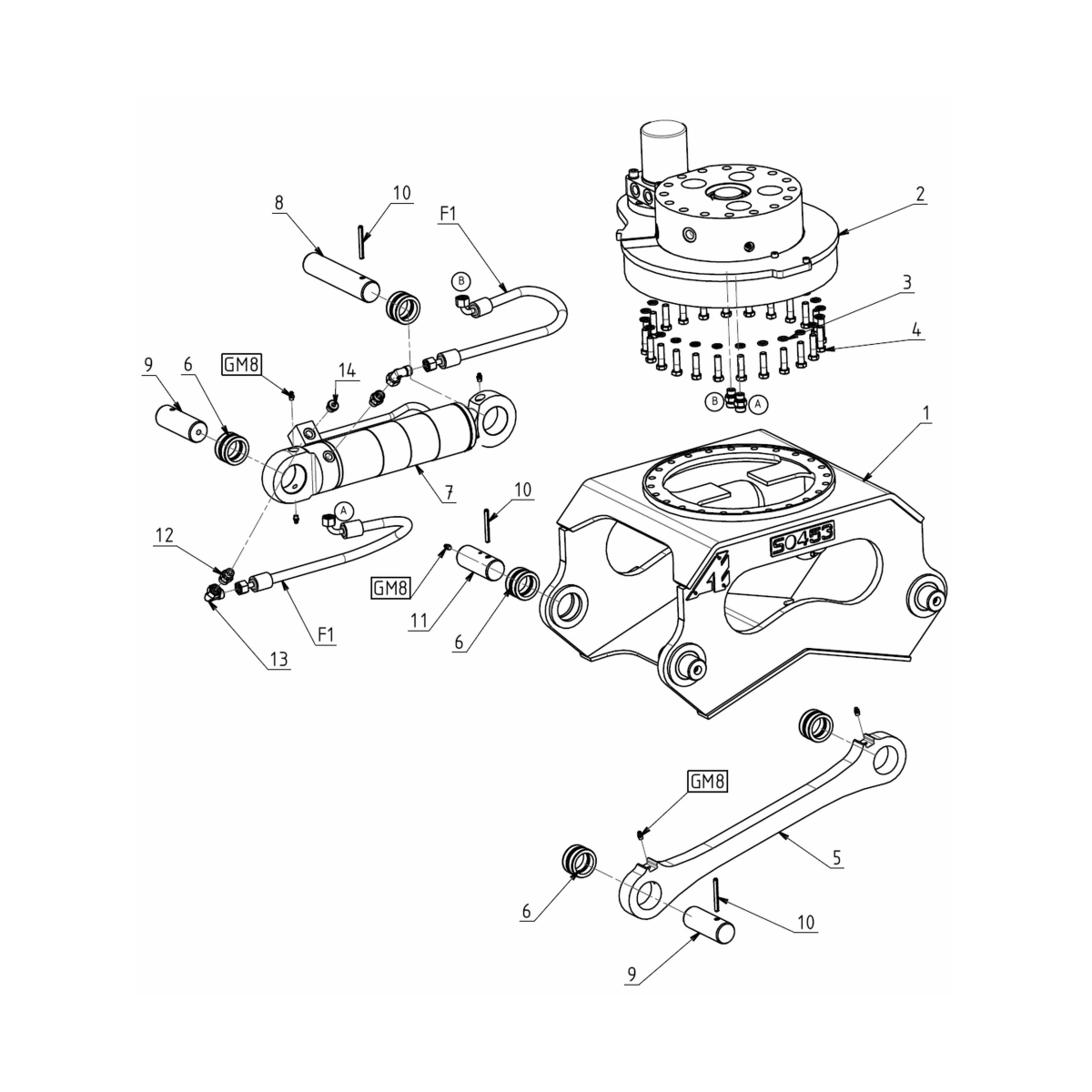
En acier haute limite élastique et anti abrasion de 450HB à 500HB, la pince est conçu pour une haute résistance à l’usure. Le bâti en V inversé rigidifie l’ensemble, protège les biellettes et améliore la tenue des matériaux. Les articulations sont baguées avec axes traités et la butée mécanique protège efficacement le(s) vérin(s) contre les surcourses pour plus de longévitée.
Rotation sécurisée et hydraulique optimisée
Disponible avec ou sans rotation, la version rotative intègre une rotation jusqu'à 3 moteurs et une couronne de grand diamètre, protégée par un capot de blindage et avec limiteur de débit. Le bloc de rotation supporte les couples de cavage les plus exigeants. Un système d’arrêt d’axe à visser remplace les goupilles pour une meilleure sécurité.
Modularité maximale et options intelligentes
Plusieurs jeux de coquilles sont disponibles : BAR (barreaux standards), ROC (enrochement) ou FAP (fond ajouré percé), tous conçus avec des fortes épaisseurs. Des options supplémentaires permettent d’adapter la pince à tous les besoins : Arden Jet (à partir de la S1402) pour la pulvérisation d’eau, flancs soudés pour le maintien de petits matériaux, caoutchouc entre lame et contre-lame pour les produits fragiles, ou encore clapet de sécurité.
Données techniques et visuels non contractuels, susceptibles d’être modifiés sans préavis.
Nous restons à votre disposition pour tout conseil technique par téléphone au +33 (0)3 24 33 64 32 ou par mail commerce@arden-equipment.com.
Arden Equipment ne pourra être tenu pour responsable en cas de défaut d’adéquation.
Le configurateur est à disposition pour vérifier la compatibilité entre l'équipement et votre pelle.
Conçue pour les travaux de tri, de démolition, de recyclage et de manutention, la pince S offre une solution puissante, fiable et entièrement modulable pour les pelles de 2,5 à 90 tonnes.
Structure robuste et composants haute résistance
En acier haute limite élastique et anti abrasion de 450HB à 500HB, la pince est conçu pour une haute résistance à l’usure. Le bâti en V inversé rigidifie l’ensemble, protège les biellettes et améliore la tenue des matériaux. Les articulations sont baguées avec axes traités et la butée mécanique protège efficacement le(s) vérin(s) contre les surcourses pour plus de longévitée.
Rotation sécurisée et hydraulique optimisée
Disponible avec ou sans rotation, la version rotative intègre une rotation jusqu'à 3 moteurs et une couronne de grand diamètre, protégée par un capot de blindage et avec limiteur de débit. Le bloc de rotation supporte les couples de cavage les plus exigeants. Un système d’arrêt d’axe à visser remplace les goupilles pour une meilleure sécurité.
Modularité maximale et options intelligentes
Plusieurs jeux de coquilles sont disponibles : BAR (barreaux standards), ROC (enrochement) ou FAP (fond ajouré percé), tous conçus avec des fortes épaisseurs. Des options supplémentaires permettent d’adapter la pince à tous les besoins : Arden Jet (à partir de la S1402) pour la pulvérisation d’eau, flancs soudés pour le maintien de petits matériaux, caoutchouc entre lame et contre-lame pour les produits fragiles, ou encore clapet de sécurité.
Données techniques et visuels non contractuels, susceptibles d’être modifiés sans préavis.
Nous restons à votre disposition pour tout conseil technique par téléphone au +33 (0)3 24 33 64 32 ou par mail commerce@arden-equipment.com.
Arden Equipment ne pourra être tenu pour responsable en cas de défaut d’adéquation.
Plus d’information

Spécification |
Détails |
|---|---|
| SKU | S0453AR01-ROC |
| Métiers | Carrière, Démolition, Espace vert, Ferraille, Recyclage, Terrassement |
| Platine(s) compatible(s) | PATD14B |
| A (mm) | 1300 |
| B (mm) | 950 |
| C (mm) | 908 |
| D (mm) | 943 |
| L (mm) | 550 |
| Pression de travail (Mpa) | 35 |
| Débit min (l/min) | 15 |
| Débit max (l/min) | 30 |
| Débit rotation max (L/min) | 12 |
| Pression rotation (MPa) | 10 |
| Debit rotation min (l/min) | 8 |
| H (mm) | 440 |
| Poids porteur mini (T) | 6 |
| Poids porteur maxi (T) | 8 |
Compatibilité platine
Identifiez ici les platines compatible avec cet équipement.
Voir les platines
Documentation
Êtes-vous sûr(e) de vouloir retirer cet article du panier ?
Êtes-vous sûr(e) de vouloir retirer cet article du panier ? Cet article fait partie du devis approuvé. Le supprimer entraînera la suppression de tous les articles du devis dans le panier.


