
calcActive())">
REF : QA41-H037
HYDRAULICKÝ RÝCHLOUPÍNAČ TYP QA
Toto zariadenie už nie je dostupné na predaj. Pozývame vás, aby ste si nižšie pozreli dostupné náhradné diely, alebo kontaktovali naše obchodné oddelenie na čísle +33 3 24 33 64 32 alebo e-mailom na commerce@arden-equipment.com.
Popis
Toto zariadenie už nie je dostupné na predaj. Pozývame vás, aby ste si nižšie pozreli dostupné náhradné diely, alebo kontaktovali naše obchodné oddelenie na čísle +33 3 24 33 64 32 alebo e-mailom na commerce@arden-equipment.com.
Viac informácií
Špecifikácie |
Detaily |
|---|---|
| SKU | QA41-H037 |
| Profesie | Demolácia, Lom, Recyklácia, Srot, Zeleň, Železnica, Zemné práce |
| Pracovný tlak (Mpa) | 35 |
| Prietok min (l/min) | 20 |
| Maximálny prietok (l/min) | 30 |
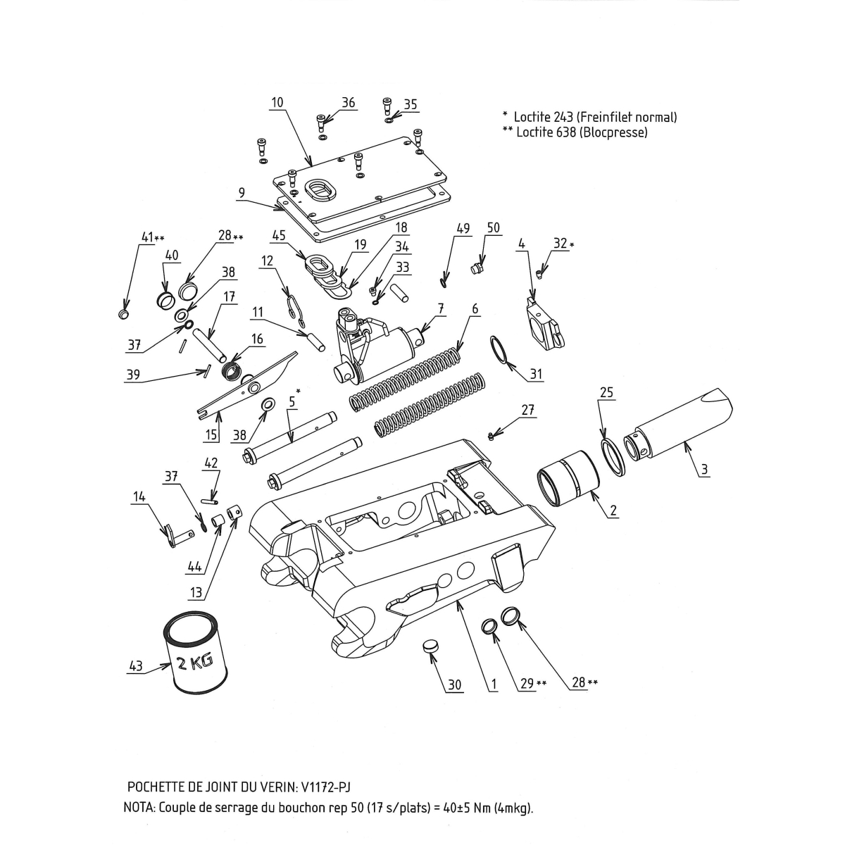
Náhradné diely
Upozorňujeme, že tieto ND sú spojené s najnovším modelom, ktorý je momentálne vo výrobe.
Ďakujeme, že ste si overili svoje zariadenie pomocou konfigurátora zadaním sériového čísla.
Pozrieť si konfigurátor| Č. | Názov | Referencia | Akcie |
|---|---|---|---|
| Náhradný diel | |||
EMBASE QA41H FINIE (Moulé) |
X3026 | ||
QA LOCK |
X91982 | ||
Spring stirrup |
X92065 | ||
Spring rod |
X92018 | ||
Spring |
X92030 | ||
VERIN 036X055C059 QA31/41H |
V1172 | ||
Valve |
CLAP30009 | ||
Cover |
X92037 | ||
ČAP |
X92048 | ||
SVORKA S KOLÍKOM |
X92101 | ||
Safety tube |
X92084 | ||
Safety indicator |
X92089 | ||
Reversing safety indicator |
X92079 | ||
Spring |
X92104 | ||
NPU !! AXE RENVOI QA31H-QA41H |
X92094 | ||
Sheet / Plate |
X92145 | ||
Seal / Packing |
X92367 | ||
Plug |
X92143 | ||
NPU - REMPLACE PAR 92141 DS NOMENCLATURES -BOUCHON TROU DIA33 |
X92142 | ||
Safety ring |
CIR055E | ||
Stop screw |
HCTL10-016C12 | ||
Seal / Packing |
J30088 | ||
Socket head capscrew |
CHC08-010C10TR | ||
Flat washer |
RP16 | ||
Spring-type straight pin |
GE04-030 | ||
Plug |
X92139 | ||
Spring-type straight pin |
GE07-090 | ||
PÚZDRO |
X80142 | ||
SEAL |
X92130 | ||
Seal Kit |
V1172-PJ | ||
Square |
X2931 | ||
Safety part |
X2932 | ||
Fork |
X2949 | ||
EMBASE QA41M FINIE (Moulé) |
X2960 | ||
PÚZDRO |
X80199 | ||
Safety part |
X91685 | ||
ČAP VYDLICE |
X91728 | ||
ČAP |
X91735 | ||
Spring |
X91745 | ||
Safety tube |
X91755 | ||
CLEF ( VOIR 92622 ) |
X91758 | ||
Plastic plug |
X91760 | ||
Plastic plug |
X91761 | ||
Wedge |
X91763-100 | ||
Adjustment plate |
X91765-100 | ||
Cover |
X91790 | ||
Cover seal |
X91791 | ||
Safety indicator |
X91795 | ||
Spring |
X91796 | ||
QA LOCK |
X91797 | ||
Spring |
X91835 | ||
Adjustment plate |
X91847-100 | ||
Grease Box 2kg |
X92115-2 | ||
Screw plug |
X92118 | ||
Pressure spring |
X92280 | ||
Screw plug |
X92305 | ||
Spring-type straight pin |
GE07-060 | ||
Spring-type straight pin |
GE07-080 | ||
Spring-type straight pin |
GE07-100 | ||
Spring-type straight pin |
GE12-080 | ||
Grease nipple |
GM8 | ||
Self-locking nut |
HFR08 | ||
VIS HM08-020 C8.8 |
HM08-020C08 | ||
O-Ring |
J30070 | ||
O-Ring |
J30071 | ||
Wiper ring |
J30072 | ||
Plug |
RAC30294 | ||
Flat washer |
RP08 | ||
Flat washer |
RP10M |
Get a Quote for
Načítava sa...
Are you sure you would like to remove this item from the shopping cart?
Táto položka je súčasťou schválenej ponuky. Jej odstránením sa odstránia všetky položky ponuky z košíka.

