
calcActive())">
REF : QA12R-H040
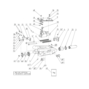
HYDRAULICKÝ RÝCHLOUPÍNAČ TYP QA
Toto zariadenie už nie je dostupné na predaj. Pozývame vás, aby ste si nižšie pozreli dostupné náhradné diely, alebo kontaktovali naše obchodné oddelenie na čísle +33 3 24 33 64 32 alebo e-mailom na commerce@arden-equipment.com.
Popis
Toto zariadenie už nie je dostupné na predaj. Pozývame vás, aby ste si nižšie pozreli dostupné náhradné diely, alebo kontaktovali naše obchodné oddelenie na čísle +33 3 24 33 64 32 alebo e-mailom na commerce@arden-equipment.com.
Viac informácií
Špecifikácie |
Detaily |
|---|---|
| SKU | QA12R-H040 |
| Profesie | Demolácia, Lom, Recyklácia, Srot, Zeleň, Železnica, Zemné práce |
| Pracovný tlak (Mpa) | 35 |
| Prietok min (l/min) | 10 |
| Maximálny prietok (l/min) | 20 |
| Držiak/špička | fiches\Eclates\Eclates En\En_Pieces_rechanges_QA12R-H_revA.pdf |
| Hmotnost (kg) | 43 |
Get a Quote for
Načítava sa...
Are you sure you would like to remove this item from the shopping cart?
Táto položka je súčasťou schválenej ponuky. Jej odstránením sa odstránia všetky položky ponuky z košíka.

