
ATTACHE RAPIDE HYDRAULIQUE TYPE QA
Description
Plus d’information
Spécification |
Détails |
|---|---|
| SKU | QA11-H081 |
| Métiers | Carrière, Démolition, Espace vert, Ferraille, Ferroviaire, Recyclage, Terrassement |
| Pression de travail (psi) | 5076 |
| Débit min (gal/min) | 5 |
| Débit max (l/min) | 8 |
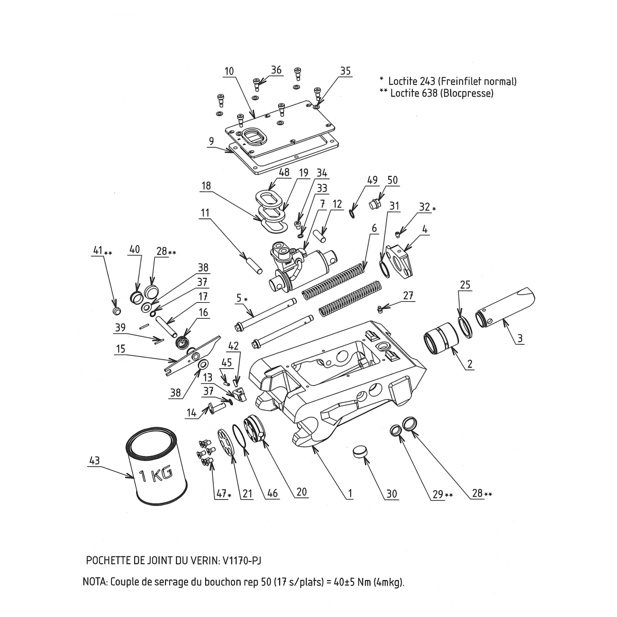
| Monte / pointe | fiches\Eclates\Eclates En\En_Pieces_rechanges_QA11-H_revB.pdf |
Êtes-vous sûr(e) de vouloir retirer cet article du panier ?
Êtes-vous sûr(e) de vouloir retirer cet article du panier ? Cet article fait partie du devis approuvé. Le supprimer entraînera la suppression de tous les articles du devis dans le panier.

